منتجات
الاقسام
منتجات جديدة
علامة تجارية:
LMSرقم الصنف.:
آلة النار المثبطدفع:
T/Tأصل المنتج:
قوانغدونغ ، الصينللون:
حسب الطلبميناء الشحن:
هوانغبو ، الصينالمهلة:
90 يوم

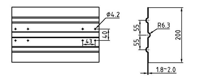
| العوامل | غرض |
| لوحة مجلفنة | مادة |
| (MM 1.5 - 1.2 أو ) MM 2.0 - 1.8 | سمك المادة |
| حسب طلب الزبون | عرض الملف |
| MM 205 - 150 | حجم الشفرة |
| جولة الأخدود MM 102 | مسافة المركز بين الأخاديد اليمنى واليسرى |
.فك اللفافة ← تشكيل لفة ← استقامة وإعادة تشكيل ← قطع للطول (تثقيب) ← تفريغ يدوي
| كمية | غرض |
| وحدة واحدة | آلة التفكيك اليدوي |
| وحدة واحدة | آلة تشكيل |
| مجموعة واحدة | أدوات القطع واللكم |
| مجموعة واحدة | نظام التحكم الكهربائي |
| مجموعة واحدة | نظام التحكم الهيدروليكي |



:المنتجات ذات الصلة
خط إنتاج أوتوماتيكي كامل للإطار الخارجي لمخمد الحريق LMS
Hvac الصلب دخان الحرائق دامبير خط الانتاج التلقائي
!LMS لمزيد من المنتجات ، مرحبًا بكم في الاتصال بفريق
يرجى ان ترسل الينا تشكيل تشكيل جانبي بمواصفات وسمك ومتطلبات معالجة اخرى لآلاتنا المخصصة. اذا كنت بحاجة الى ماكينة قياسية ، يرجى ان ترسل الينا النموذج الذي تريده.
حقوق النشر ©2010-2019 LMS International Limited كل الحقوق محفوظة. 蜀ICP备17022790号
الفريق المهني للخدمة !

86-20-87319591

0086 208731 9225
sales@lmsmachinery.com
allyrafter
0086 13822 280343